nba直播_nba免费直播高清在线直播_nba直播免费高清直播

芯启源科技

0755-23345158
宽带放大器

XQY-WBA-2150

【频率范围】40MHz~2150MHz

【标准增益】40dB

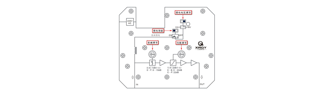
【直流馈电输出】18V/13V可选,最大300mA输出

【输入可调衰减范围】0~15dB,1dB步进

【均衡调节范围】0~22dB,2dB步进

【功耗】4W

【尺寸】150mm*130mm*48mm


详情内容请向下滑动查看↓↓↓

产品手册下载

产品规格书点击下载
订购咨询 关注芯启源
快速下单

产品指标



产品规格

尺寸图.jpg/


产品细节

  • 产品介绍

    XQY-WBA-2150是一款工作于40MHz~2150MHz频率范围的宽带放大器,适应于有线电视和卫星信号的放大。采用进口优质放大管,具备极佳的线性输出特性;具有15dB的输入衰减调节范围以及最大22dB的均衡调节范围;可输出18V或13W直流馈电电压,最大电流300mA