nba直播_nba免费直播高清在线直播_nba直播免费高清直播

芯启源科技

0755-23345158
SMA连接器

XQY-SAFT11F01-M

【端口类型】SMA型母头

【连接器类别】直连式

【驻波比】≤1.15:1

【频率范围】DC-27GHz

【材质工艺】不锈钢 钝化

【定制服务】特殊尺寸、材质可定制


详情内容请向下滑动查看↓↓↓

产品手册下载

产品规格书点击下载
订购咨询 关注芯启源
快速下单

产品指标

参数表.jpg

产品规格

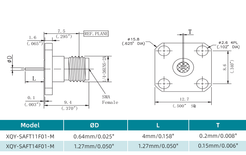
连接器-草图.选型表.jpg

产品细节

  • SMA型连接器

    直连式

  • 接口类型

    SMA母头-外螺内孔/直连式

  • 材质工艺

    外壳采用了不锈钢材质,表面增加了钝化处理工艺,能提高抗氧化、耐磨性能

  • 产品特点

    体积小、低驻波、低插损、耐腐蚀、寿命长