| 项目/Project | 指标/Indicators |
| 频率范围 Frequency Range | 2000~18000MHz |
| 插入损耗 Insertion Loss | ≤1.0 dB(未含理论损耗 Excluding theoretical loss 3.0 dB) |
| 合路端驻波 Combined port VSWR | Typ.1.18 / Max.1.4 |
| 分配端驻波 Distribution port VSWR | Typ.1.14 / Max.1.3 |
| 隔离度 Isolation | Typ.25dB / Min.18dB |
| 幅度平衡 Amplitude Balance | ≤ 0.3dB |
| 相位平衡 Phase Balance | ±4° |
| 阻抗 Impedance | 50 Ohms |
| 端口接头 Input/Output Connectors | SMA-Female |
| 承受功率 Power Rating | Splitter 20W(功分器用时);Combiner 1W(合路器用时) |
| 工作温度 Operation Temperature | -45℃ ~ +85℃ |
| 表面处理 Surface Finishing | 黑色烤漆 Black Paint |
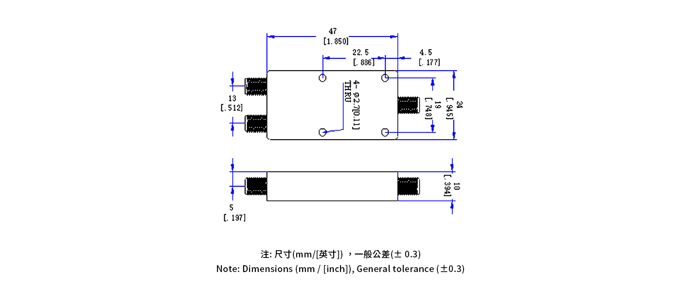
| 外形尺寸 Outline Dimensions | 47*24*10mm |
| 重量 Weight | 32g |


产品内部釆用优质高频板材以及精密的内腔设计,完全自主设计研发、生产,指标优异、低驻波、低插损、高隔离、耐腐蚀、高机械可靠性

外壳釆用铝合金烤漆工艺,具有较高的机械可靠性、耐磨性、耐腐蚀性

自主研发设计、生产的高频不锈钢连接器,耐磨损、耐腐蚀、使用寿命长

可定制频率范围、插入损耗、驻波比等指标,可定制连接器类型