nba直播_nba免费直播高清在线直播_nba直播免费高清直播

芯启源科技

0755-23345158
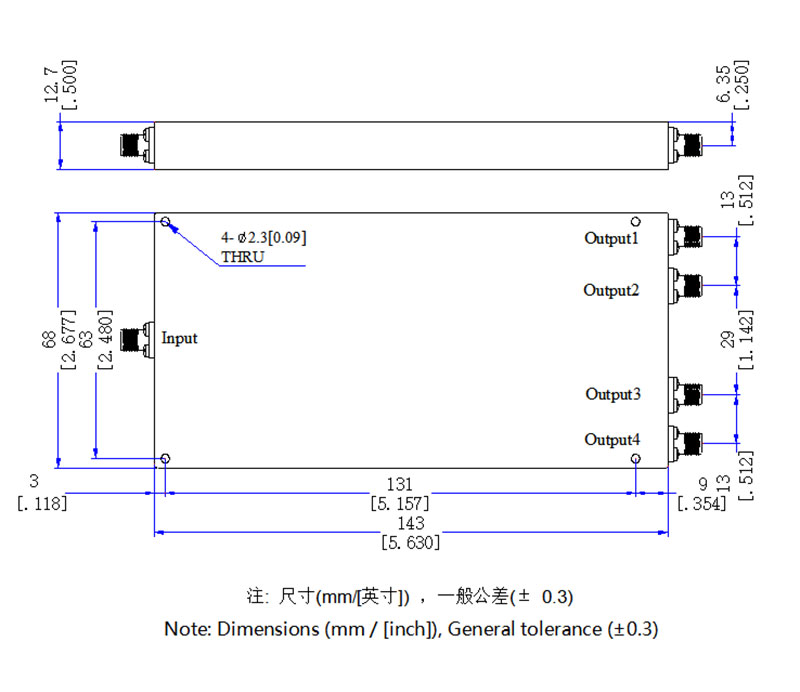
一分四功分器/合路器

XQY-PS4-0.5/26.5-SE3

【产品名称】一分四微带功分器/合路器

【频率范围】500-26500MHz

【接头类型】SMA型母头-不锈钢

【表面处理】黑色烤漆

【外形尺寸】143*68*10mm

【定制服务】连接器类型、频率均可定制

详情内容请向下滑动查看↓↓↓



详情内容请向下滑动查看↓↓↓

产品手册下载

产品规格书点击下载
订购咨询 关注芯启源
快速下单

产品指标

628786a4a7854.jpg/

产品规格

628786ab6c2c5.jpg/

产品细节

  • 产品优势

    产品内部釆用优质高频板材以及精密的内腔设计,完全自主设计研发、生产,指标优异、低驻波、低插损、高隔离、耐腐蚀、高机械可靠性

  • 外壳工艺

    外壳釆用铝合金烤漆工艺,具有较高的机械可靠性、耐磨 性、耐腐蚀性

  • 连接器

    可定制频率范围、插入损耗、驻波比等指标,可定制连接器类型

  • 指标定义

    可定制频率范围、插入损耗、驻波比等指标,可定制连接器类型